Mi cesta
No hay más artículos en su carrito
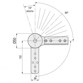
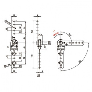
RESORTES PARA CABECEROS Y BRAZOS
FRICCO STRETCH JUEGO DE RESORTE COMPÁS 270º PARA SOFÁ
Producto disponible con otras opciones